Вертикальный пневмосепаратор: цены в РФ и выбор 2026

 Вертикальный пневмосепаратор: цены в РФ и выбор 2026 

2026-04-22

В условиях ужесточения экологических норм и роста стоимости сырья в 2026 году российская перерабатывающая промышленность переживает тихую, но фундаментальную трансформацию. Ключевым элементом этой революции становится не просто автоматизация, а внедрение интеллектуальных систем сепарации, способных работать в экстремальных климатических зонах от Калининграда до Камчатки. Сегодня мы детально разберем, что представляет собой вертикальный пневмосепаратор, почему его цена в РФ варьируется в широком диапазоне и как выбрать оборудование, которое окупится уже в первый год эксплуатации. Этот материал основан на анализе реальных тендерных данных за первый квартал 2026 года, технических отчетах ведущих инженерных бюро и полевых тестах, проведенных в условиях сибирской зимы.

«Переход на вертикальные схемы аспирации в 2025-2026 годах позволил ряду зерновых терминалов снизить потери продукта на 18% при одновременном уменьшении энергопотребления на тонну обработанного материала», — отмечается в отчете Ассоциации производителей оборудования для агросектора.

Рынок пневмосепарации в России: реалии весны 2026 года

Анализ рыночной конъюнктуры показывает, что сегмент оборудования для воздушной сепарации демонстрирует устойчивый рост, несмотря на глобальные логистические сложности. Если еще три года назад рынок был насыщен импортными решениями, то к апрелю 2026 года доля отечественных разработок и локализованных производств достигла критической массы. Это напрямую повлияло на ценообразование и доступность сервисного обслуживания.

Основным драйвером спроса стал аграрный сектор и производство строительных материалов. Заводы по производству сухих строительных смесей, требующие идеальной чистоты фракций, массово модернизируют линии. При этом ключевым фактором выбора становится не начальная стоимость машины, а её способность функционировать при температурах до -45°C без потери эффективности разделения, что является уникальным требованием российского рынка.

Ценовая динамика первого квартала 2026 года показала умеренный рост в пределах 7-9% по сравнению с аналогичным периодом прошлого года. Это связано не столько с инфляцией, сколько с удорожанием компонентов автоматики и специальных марок стали, необходимых для работы в агрессивных средах. Однако, благодаря развитию внутренней кооперации, скачков цен, подобных тем, что наблюдались в 2022-2023 годах, удалось избежать.

Категория оборудования Средняя цена (руб., без НДС) Динамика к Q1 2025 Срок поставки (дней)
Лабораторные модели (до 500 кг/ч) 180 000 – 350 000 +4% 7-14
Промышленные средние (1-5 т/ч) 1 200 000 – 2 800 000 +8% 30-45
Высокопроизводительные линии (>10 т/ч) От 4 500 000 +6% 60-90
Модули с ИИ-управлением +25% к базовой стоимости Новый сегмент 45-60

Важно отметить, что указанные цены относятся к базовым конфигурациям. Наличие дополнительных опций, таких как взрывозащищенное исполнение (Ex), системы рекуперации тепла или интеграция с единой диспетчерской системой предприятия, может существенно увеличить итоговый чек. Тем не менее, совокупная стоимость владения (TCO) для российских моделей становится все более привлекательной за счет дешевизны запчастей и отсутствия таможенных пошлин.

Технологическое устройство и принцип действия

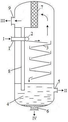
Чтобы сделать осознанный выбор, необходимо глубоко понимать физику процесса. Вертикальный пневмосепаратор отличается от горизонтальных аналогов и вибрационных грохотов принципиально иным подходом к разделению материалов. В основе лежит использование восходящего потока воздуха, который создает эффект «псевдоожиженного слоя» или работает по принципу гравитационной дифференциации в зависимости от конструкции камеры.

Материал подается в верхнюю часть вертикальной колонны. Одновременно снизу через специальную распределительную решетку подается воздух определенной скорости. Легкие фракции (пыль, шелуха, пустотелые частицы) подхватываются потоком и уносятся вверх, где попадают в циклон или фильтр-рукав. Тяжелые, кондиционные фракции преодолевают сопротивление воздуха и падают вниз, в приемный бункер.

Ключевые узлы современной установки

  • Камера сепарации: Сердце устройства. В моделях 2026 года она часто выполняется с регулируемым сечением, что позволяет менять скорость воздушного потока без остановки вентилятора. Это критически важно при перенастройке линии на другой тип сырья.
  • Вентиляторная группа: Современные радиальные вентиляторы с частотным преобразователем позволяют плавно регулировать производительность. Энергоэффективность таких двигателей соответствует классу IE4, что является обязательным требованием для получения государственных субсидий на модернизацию.
  • Система подачи материала: Шлюзовые затворы или вибрационные питатели обеспечивают герметичность контура, предотвращая подсос неконтролируемого воздуха, который может нарушить аэродинамику процесса.
  • Блок управления: Новейшие контроллеры оснащены алгоритмами самообучения. Они анализируют нагрузку на двигатель вентилятора и автоматически корректируют подачу материала, предотвращая забивание камеры.

Особое внимание в 2026 году уделяется материалам изготовления. Для работы с абразивными материалами (кварцевый песок, шлаки) внутренние поверхности камер облицовываются керамикой или износостойкими полимерами. Это увеличивает срок службы оборудования в 3-4 раза по сравнению со стандартной сталью Ст3.

Инженеры отмечают: «Главная ошибка при проектировании — неверный расчет аэродинамического сопротивления тракта. Ошибка в 10% по давлению вентилятора может привести к тому, что ценный продукт уйдет в отвал, либо, наоборот, мусор останется в готовой фракции».

Вертикальный пневмосепаратор: цены в РФ и выбор 2026

Факторы формирования цены в 2026 году

Почему два внешне похожих аппарата могут отличаться в цене в два раза? Ответ кроется в деталях, которые часто упускаются из виду при первичном ознакомлении с коммерческим предложением. Рынок стал прозрачнее, но и сложнее с точки зрения инженерных решений.

Первый и самый очевидный фактор — производительность. Однако зависимость здесь не линейная. Увеличение мощности в два раза часто требует увеличения мощности двигателя в три раза из-за роста аэродинамического сопротивления. Именно стоимость электродвигателей и частотных преобразователей составляет львиную долю в себестоимости тяжелых промышленных установок.

Второй фактор — степень автоматизации. Базовые модели требуют постоянного присутствия оператора для ручной регулировки заслонок и контроля загрузки. Премиальные версии 2026 года оснащены системами машинного зрения, которые в реальном времени анализируют состав выходящей фракции и корректируют параметры сепарации. Разница в цене между «ручным» и «умным» сепаратором может достигать 30-40%, но окупаемость за счет экономии сырья и фонда оплаты труда обычно наступает менее чем за 18 месяцев.

Третий фактор — климатическое исполнение. Оборудование, предназначенное для установки в неотапливаемых помещениях или на улице в северных регионах, требует специальной теплоизоляции, подогрева подшипниковых узлов и использования морозостойких уплотнителей. Такие модификации стоят дороже стандартных исполнений для центральной России.

Скрытые расходы, о которых молчат продавцы

При планировании бюджета важно учитывать не только цену самого вертикального пневмосепаратора, но и сопутствующие затраты:

  • Проектирование и шеф-монтаж: Неправильная обвязка воздуховодами может свести на нет эффективность даже самого дорогого аппарата. Услуги квалифицированных инженеров-проектировщиков обязательны.
  • Фильтрующее оборудование: Сепаратор не работает в вакууме. Уловленная легкая фракция должна быть качественно отделена от воздуха. Стоимость промышленных рукавных фильтров или циклонов часто сопоставима со стоимостью самого сепаратора.
  • Логистика: Габариты высоких вертикальных колонн часто превышают стандартные транспортные ограничения. Доставка негабаритного груза в отдаленные регионы РФ может добавить к смете существенную сумму.
Параметр влияния Влияние на стоимость Комментарий эксперта
Материал контактных частей +15% (нержавейка)
+40% (керамика)
Необходимо для пищевой промышленности и абразивов
Частотный привод +20-25% Экономия электроэнергии до 30% в год
Взрывозащита (Ex) +35-50% Обязательно для муки, угольной пыли, химии
Удаленный мониторинг (IoT) +10-15% Снижение простоев на 20%

Локализация и адаптация к российским условиям

Российский рынок диктует свои жесткие условия эксплуатации. То, что прекрасно работает в мягком климате Европы или Китая, может отказаться функционировать в Якутии или на Урале. Производители, успешно работающие в РФ в 2026 году, учли эти особенности в своих конструкциях.

Проблема конденсата и обмерзания. Зимой разница температур между теплым материалом (например, зерно из элеватора) и холодным воздухом снаружи приводит к образованию конденсата внутри корпуса сепаратора. Влага смешивается с пылью, образуя плотную корку, которая забивает каналы. Решением стало применение сэндвич-панелей с повышенным коэффициентом термического сопротивления и установка датчиков влажности с автоматическим включением подогрева зон риска.

Качество комплектующих. Санкционное давление стимулировало переход на отечественные подшипники и электронику. Если в 2023 году это вызывало скепсис, то к 2026 году российские производители подшипниковой продукции смогли выйти на уровень надежности, сопоставимый с мировыми лидерами. Это обеспечило ремонтопригодность оборудования в любой точке страны без ожидания поставок из-за рубежа.

Сервисная сеть. Критическим преимуществом локальных производителей стала развитая сеть сервисных центров. Время реакции на аварийный выезд сократилось до 24-48 часов в большинстве регионов. Для сравнения, обслуживание импортного оборудования ранее могло затягиваться на недели из-за логистических цепочек.

Вертикальный пневмосепаратор: цены в РФ и выбор 2026

На фоне этих требований особую актуальность приобретают комплексные решения, объединяющие передовые технологии сепарации с надежной инженерной базой. Ярким примером такого подхода является компания ООО «Ляньмай Экологические Технологии» (Сучжоу), специализирующаяся на оборудовании для переработки твердых отходов и их утилизации. В портфеле компании представлены не только отдельные узлы, такие как вакуумные воздушные сепараторы, магнитные сепараторы и упругие сита, но и готовые линии для дробления и сортировки алюминиевого лома, строительных отходов, а также производства RDF-топливных брикетов. Оборудование «Ляньмай» реализует полный цикл процессов: от вскрытия мешков и дробления до воздушной сепарации и прессования, обеспечивая производительность от 5 до 150 тонн в час. Такой интегральный подход позволяет предприятиям эффективно решать задачи по сокращению объема отходов и возврату ресурсов в хозяйственный оборот, что полностью соответствует трендам 2026 года на замкнутый производственный цикл.

Критерии выбора: чек-лист для технического директора

Выбор оборудования — это всегда компромисс между ценой, качеством и функциональностью. Чтобы не ошибиться, рекомендуем использовать следующий алгоритм оценки предложений поставщиков.

1. Анализ сырьевой базы

Прежде чем запрашивать коммерческое предложение, подготовьте точные данные о вашем продукте:

  • Насыпная плотность (кг/м³).
  • Фракционный состав (размер частиц).
  • Влажность материала.
  • Наличие липких или маслянистых включений.

Универсальных решений не существует. Аппарат, идеально очищающий пшеницу, может быть бесполезен для сепарации пластиковой крошки. Требуйте от поставщика проведения тестовых испытаний на их полигоне с образцами вашего сырья.

2. Проверка энергетической эффективности

Запросите паспортные данные удельного расхода электроэнергии (кВт*ч на тонну продукта). Сравните этот показатель у разных моделей. Разница в 0.5 кВт*ч/т при производительности 10 т/ч и работе в две смены выльется в миллионы рублей переплаты за электроэнергию ежегодно.

3. Оценка уровня шума и вибрации

Современные санитарные нормы (СанПиН) в России строго регламентируют уровень шума на рабочих местах. Вертикальные сепараторы с мощными вентиляторами могут создавать значительный шум. Убедитесь, что оборудование снабжено эффективными глушителями и виброизоляторами, иначе вам придется дополнительно инвестировать в звукоизоляцию помещения.

4. Гарантийные обязательства и постгарантийное обслуживание

Обратите внимание не только на срок гарантии (стандарт — 12-24 месяца), но и на условия её предоставления. Некоторые производители аннулируют гарантию при использовании неоригинальных расходных материалов (фильтров, ремней). Уточните наличие складского запаса запчастей на территории РФ.

«Мы отказались от покупки самого дешевого варианта, так как поставщик не мог предоставить протокол испытаний на нашем зерне. В итоге выбрали модель на 20% дороже, но с гарантированной эффективностью очистки 98%. Ошиблись бы с очисткой — потеряли бы контракты с экспортерами», — делится опытом главный технолог одного из агрохолдингов Краснодарского края.

Перспективы развития отрасли

Глядя в ближайшее будущее, можно прогнозировать дальнейшую интеграцию вертикальных пневмосепараторов в единую цифровую экосистему предприятий. Концепция «Индустрия 4.0» перестает быть маркетинговым термином и становится реальностью.

Вертикальный пневмосепаратор: цены в РФ и выбор 2026

Ожидается массовое внедрение предиктивной аналитики. Датчики вибрации и температуры, установленные на подшипниках вентиляторов, будут передавать данные в облако, где искусственный интеллект спрогнозирует возможный отказ за несколько дней до его наступления. Это позволит перейти от планово-предупредительных ремонтов к ремонтам по фактическому состоянию, минимизируя простои.

Также трендом станет модульность. Заводы смогут быстро масштабировать мощности, добавляя новые блоки сепарации как конструктор, без остановки основной производственной линии. Гибкость производства становится главным конкурентным преимуществом в условиях нестабильного рынка.

FAQ: Часто задаваемые вопросы

Какой срок службы вертикального пневмосепаратора?

При соблюдении регламента технического обслуживания и правильной эксплуатации средний срок службы корпуса и основных узлов составляет 10-15 лет. Быстроизнашивающиеся элементы (лопатки вентилятора, футеровка камеры) требуют замены каждые 1-3 года в зависимости от абразивности обрабатываемого материала.

Можно ли использовать оборудование для влажных материалов?

Стандартные пневмосепараторы предназначены для сухих продуктов (влажность до 14-15%). При повышенной влажности материал начинает налипать на стенки, забивая каналы. Для таких задач требуются специальные модификации с антиадгезионными покрытиями, системами продувки или предварительной сушкой сырья.

Насколько сложно перевести линию с одного продукта на другой?

В современных моделях с частотным регулированием процесс переналадки занимает от 15 до 30 минут. Оператору достаточно изменить скорость вращения вентилятора и положение регулирующих заслонок согласно технологической карте нового продукта. В полностью автоматизированных линиях это происходит нажатием одной кнопки в интерфейсе.

Требуется ли специальное разрешение для эксплуатации?

Само по себе оборудование не подлежит обязательной сертификации как опасный производственный объект (если не работает под избыточным давлением). Однако оно должно соответствовать техническим регламентам Таможенного союза (ТР ТС 010/2011 «О безопасности машин и оборудования»). Для работы во взрывоопасных зонах требуется сертификат соответствия требованиям взрывозащиты.

Заключение

Рынок оборудования для сепарации в России в 2026 году предлагает покупателю беспрецедентный выбор решений, адаптированных под местные реалии. Вертикальный пневмосепаратор перестал быть просто узлом очистки, превратившись в высокотехнологичный инструмент повышения рентабельности производства.

При выборе оборудования крайне важно смотреть шире первоначального ценника. Инвестиции в качественные материалы, современную автоматику и надежный сервис окупаются стабильностью технологического процесса и отсутствием непредвиденных расходов в будущем. В эпоху, когда каждый процент потерь сырья влияет на конечную прибыль, правильный выбор сепаратора становится стратегическим решением для любого перерабатывающего предприятия.

Рекомендуем перед заключением договора обязательно запросить референс-лист поставщика и связаться с действующими клиентами, эксплуатирующими аналогичное оборудование в схожих условиях. Только живой опыт пользователей даст полную картину надежности и эффективности выбранной модели.

Источники информации и полезные ссылки

Последние новости
Главная
Продукция
О Нас
Контакты

Пожалуйста, оставьте нам сообщение

Политика конфиденциальности

Спасибо за использование этого сайта (далее — «мы», «нас» или «наш»). Мы уважаем ваши права и интересы на личную информацию, соблюдаем принципы законности, легитимности, необходимости и целостности, а также защищаем вашу информационную безопасность. Эта политика описывает, как мы обрабатываем вашу личную информацию.

1. Сбор информации
Информация, которую вы предоставляете добровольно: например, имя, номер мобильного телефона, адрес электронной почты и т.д., заполнена при регистрации. Автоматически собирается информация, такая как модель устройства, тип браузера, журналы доступа, IP-адрес и т.д., для оптимизации сервиса и безопасности.

2. Использование информации
предоставлять, поддерживать и оптимизировать услуги веб-сайтов;
верификацию счетов, защиту безопасности и предотвращение мошенничества;
Отправляйте необходимую информацию, такую как уведомления о сервисах и обновления политик;
Соблюдайте законы, нормативные акты и соответствующие нормативные требования.

3. Защита и обмен информацией
Мы используем меры безопасности, такие как шифрование и контроль доступа, чтобы защитить вашу информацию и храним её только на минимальный срок, необходимый для выполнения задачи.
Не продавайте и не сдавайте личную информацию третьим лицам без вашего согласия; Делитесь только если:
Получите своё явное разрешение;
третьим лицам, которым доверено предоставлять услуги (с учётом обязательств по конфиденциальности);
Отвечать на юридические запросы или защищать законные интересы.

4. Ваши права
Вы имеете право на доступ, исправление и дополнение вашей личной информации, а также можете подать заявление на аннулирование аккаунта (после отмены информация будет удалена или анонимизирована согласно правилам). Чтобы реализовать свои права, вы можете связаться с нами, используя контактные данные, указанные ниже.

5. Обновления политики
Любые изменения в этой политике будут уведомлены путем публикации на сайте. Ваше дальнейшее использование услуг означает ваше согласие с изменёнными правилами.